联系电话:15737128568 / 400-0989-865

NEWS CENTRE

新闻资讯


当前所在位置:首页> 新闻资讯> 公司新闻

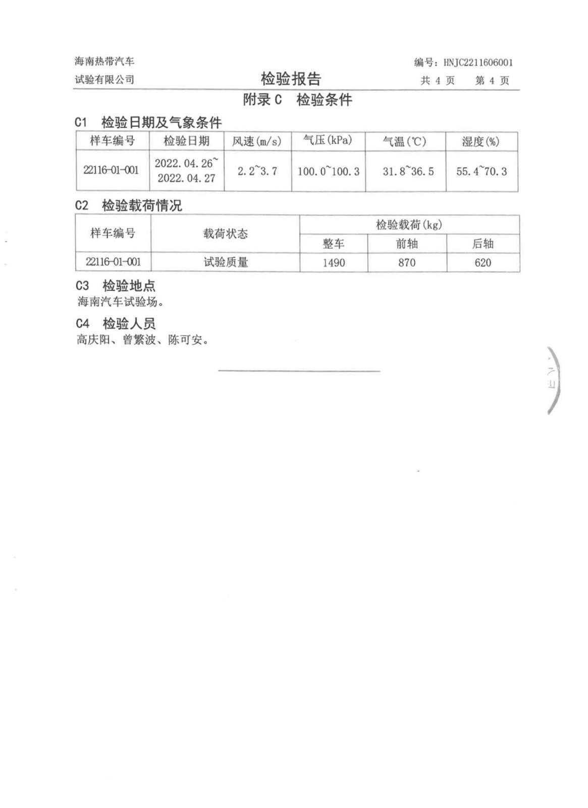
海南热带汽车试验场检测报告

发布时间:2022-04-29      点击次数:1085

碳克环保报告(海南汽车试验场)-1.jpg

碳克环保报告(海南汽车试验场)-2.jpg碳克环保报告(海南汽车试验场)-3.jpg碳克环保报告(海南汽车试验场)-4.jpg碳克环保报告(海南汽车试验场)-5.jpg碳克环保报告(海南汽车试验场)-6.jpg



上一条:国家汽车质量监督检验中心检测报告
下一条:燃油汽车节能“黑科技”:碳克除碳节能棒上市

返回列表

您感兴趣的新闻